BGB12832-01
Model No. BGB12832-01
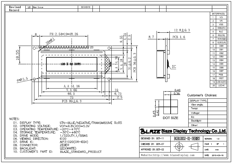
Outline size(mm): 80.00 × 36.00 × 12.80
Viewing Area:60.00 × 18.00
Active Area: 51.16 × 14.36
Controller IC: AIP31020 or Eqv.
Interface: SPI & Parallel
Remarks: 1×20PIN
Backlight:LED
Part Number: BGB12832-01
● Character LCD 128 x 32 (dots)
● FSTN-Gray / STN-Gray / STN-YG / STN-Blue
● Built-in controller (AIP31020 or Equivalent)
● +3.3V / +5.0V power supply
● 1/32 duty, 1/5bias
● Viewing Direction: 6H / 12H
● Interface: 6800 4/8-bit parallel
● Backlight (Side LED): White / Green / Blue / Yellow-Green / RGB / Orange / Amber
● Temp: N.T / W.T / Super W.T

|
SPECIFICATIONS |
||
|
Interface Pin Function |
||
|
Pin No. |
Symbol |
Description |
|
1 |
V0 |
Contrast Adjustment |
|
2 |
VR |
|
|
3 |
VSS |
Ground(0V) |
|
4 |
VDD(5V) |
Power supply for logic(+5.0V) |
|
5 |
N.C |
No connection |
|
6 |
RS(CS) |
Data/ Instruction select signal |
|
7 |
R/W(SID) |
Read/Write select signal |
|
8 |
E(SCLK) |
Enable signal(Serial data input) |
|
9~16 |
DB0~DB7 |
Data bus line |
|
17 |
PSB |
Serial/Parallel interface select |
|
18 |
/RST |
Reset |
|
19 |
LED-A(5V) |
Power supply for backlight |
|
20 |
LED-K |
Ground for backlight |







