BGB12864-02
Model No. BGB12864-02
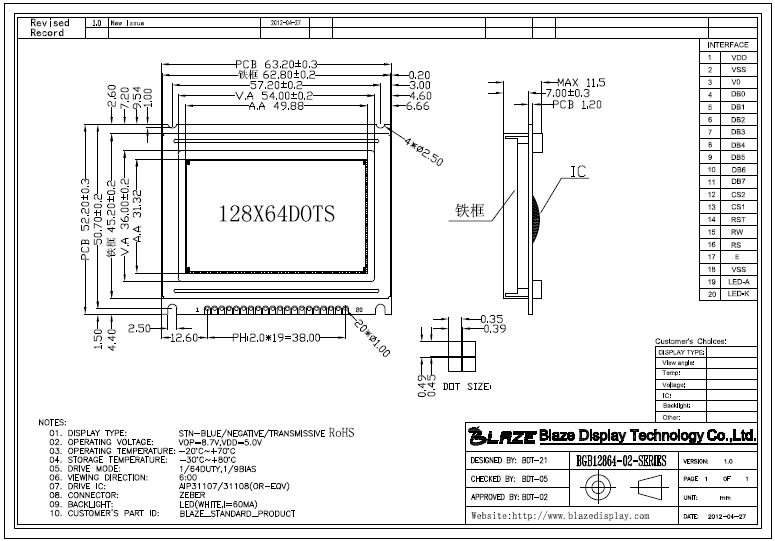
Outline size(mm): 63.20 × 52.20 × 11.5
Viewing Area:54.00 × 36.00
Active Area: 49.88 × 31.32
Controller IC: AIP31108 or Eqv.
Interface: SPI & Parallel
Remarks: 1×20PIN
Backlight:LED
Part Number: BGB12864-02
● Character LCD 128 x 64 (dots)
● FSTN-Gray / STN-Gray / STN-YG / STN-Blue
● Built-in controller (AIP31108 or Equivalent)
● +3.3V / +5.0V power supply
● 1/64 duty, 1/9bias
● Viewing Direction: 6H / 12H
● Interface: 6800 4/8-bit parallel
● Backlight (Side LED): White / Green / Blue / Yellow-Green / RGB / Orange / Amber
● Temp: N.T / W.T / Super W.T

|
SPECIFICATIONS |
|||
|
Interface Pin Function |
|||
|
Pin No. |
Symbol |
Description |
|
|
1 |
VDD |
Power supply for logic |
|
|
2 |
VSS |
Ground(0V) |
|
|
3 |
V0 |
Contrast Adjustment |
|
|
4~11 |
DB0~DB7 |
Data bus line |
|
|
12 |
CS2 |
Chip select signal |
|
|
13 |
CS1 |
Chip select signal |
|
|
14 |
RST |
Reset signal |
|
|
15 |
R/W |
Read/Write select signal |
|
|
16 |
RS |
Data/ Instruction select signal |
|
|
17 |
E |
Enable signal |
|
|
18 |
VSS |
Ground(0V) |
|
|
19 |
LED-A |
Power supply for backlight (+5.0V) |
|
|
20 |
LED-K |
Ground for backlight(0V) |
|
|
|
|||
|
Mechanical Data |
|||
|
Item |
Standard Value |
Unit |
|
|
Module Dimension |
63.2 x 52.2 |
mm |
|
|
Viewing Area |
54.0 x 36.0 |
mm |
|
|
Mounting Hole |
57.2 x 50.7 |
mm |
|
|
Dots Pitch |
0.39 x 0.49 |
mm |
|
|
Dots Size |
0.35 x 0.45 |
mm |
|
|
|
|||
|
Electrical Characteristics |
|||
|
Item |
Symbol |
Standard Value (typ.) |
Unit |
|
Input Voltage |
VDD |
5 |
V |
|
Recommended LCD Driving |
VDD-VO |
8.7 |
V |







